1
微信扫码
在线客服
热线电话
返回顶部
 山东一清光亮炉设备有限公司                                            咨询热线:13355483377
Cloud Zoom small image
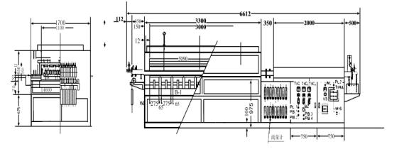
氨燃烧炉

产品名称:氨燃烧炉
可在线通过咨询了解详情
 
通过以下按钮进入下一步
  • 产品详情
  • 评价

用途

利用液氨分解并与空气燃烧的方法制备N2的装置,N2被广泛的应用于:

·作为金属热处理的保护气氛。

·各种保护气氛热处理炉吹扫用气氛。

·贮槽、配管的吹扫气氛。

·用于化学工业中的防爆、防氧化、防老化用气氛。

·食品包装保鲜用气氛。

特点

该装置实际产气成份为N2基气氛,其氢含量可任意调整。当H2含量26%时,该气体可作为C钢光亮处理的保护气氛。当H2≤2%时,可作为安全保护气氛。

工艺流程图

 

图片1.png